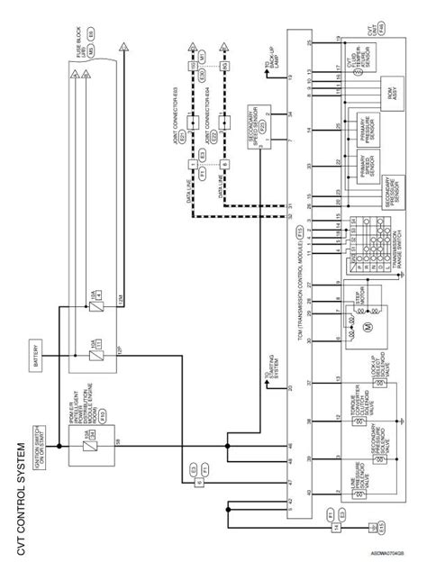
2014 Maxima Wiring Diagram


HTTP://WIRINGSCHEMA.COM
Revision 1.8 (10/2014)
© 2014 HTTP://WIRINGSCHEMA.COM. All Rights Reserved.































































































































Download Full Diagram Via this App!!!!

English product guide

Title : 2014 Maxima Wiring Diagram
Category : Wiring Diagram
Format : PDF

Get Diagram Now!

DOWNLOAD NOW