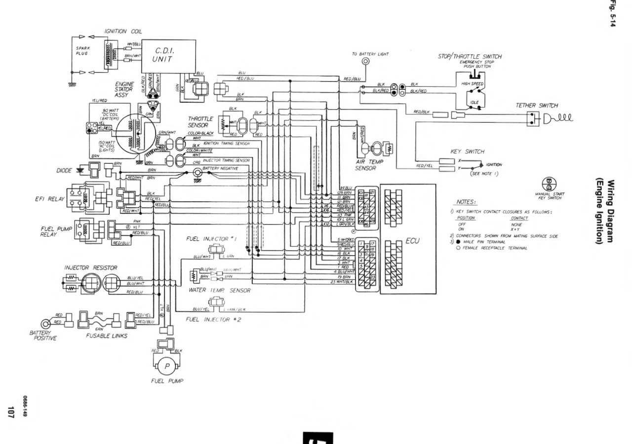
92 700 Wildcat Wiring Diagram


HTTP://WIRINGSCHEMA.COM
Revision 3.9 (07/2010)
© 2010 HTTP://WIRINGSCHEMA.COM. All Rights Reserved.































































































































Download Full Diagram Via this App!!!!

English product guide

Title : 92 700 Wildcat Wiring Diagram
Category : Wiring Diagram
Format : PDF

Get Diagram Now!

DOWNLOAD NOW